2CY系列齒輪泵主要用于各種機械設備中的潤滑系統中輸送潤滑油,適用于輸送粘度為 5×10-6~1.5×10-3m2/s(5-1500cSt),溫度在300℃以下的具有潤滑性的油料。
2CY不銹鋼齒輪泵可輸送無潤滑性的油料、飲料、低腐蝕性的液體。配用銅齒輪可輸送低內點液體,如汽油、苯等。本系列泵除配置普通電機外,還可根據用戶需要配置同規格的防爆電機。
2CY不銹鋼齒輪泵主要有齒輪、軸、泵體、泵蓋、軸承套、軸端密封(特殊要求,可選用磁力驅動,零泄露結構)等組成。齒輪經氮化處理有較高的硬度和耐磨性。與軸一同安裝在可更換的軸套內運轉。
2CY不銹鋼齒輪泵采用自封式潤滑,間隙自動調節結構,要零件均高耐磨材料制造。具有結構緊湊、自吸性好、效率高、適應性強等特點。
泵內四個軸承套在泵內浮動安裝,隨工作壓力大小自動調整端面間隙,因此泵的壓力穩定,輸出流量脈動小,溶積效率高。
從主軸外伸端向泵看,為順時針旋轉。
2CY不銹鋼齒輪泵安裝說明:
1、安裝泵的地點應足夠寬敞,以方便檢修工作。
2、泵安裝的好壞,對泵的平穩運行和使用壽命有很重要的影響,所以安裝校正工作必須仔細地進行,不得草率行事。
3、泵吸入管的安裝高度、長度和管徑應滿足計算值,力求簡短,減少不必要的損失(如彎頭等);并保障泵在工作時,不超過其允許汽蝕余量。
4、吸入和排出管路應該有支架。泵不允許承受管路的負荷。
2CY不銹鋼齒輪泵安裝順序:
1、將機組放在埋有地腳螺栓的基礎上,在底座與基礎之間,用成對的楔墊用校正用。
2、在安裝過程中,為防止雜物落入機器內,機組的所有孔眼均應蓋好。
3、在接好管路及確定電動機轉動方向后,再接上聯軸器,并再校核一遍軸的同心度。
4、校正泵軸和電機軸的同心度,在聯軸大路外圓上,允許偏差0.1毫米;兩聯軸器平面的間隙應保障2~4毫米,(小泵取小值)間隙要均勻,允差0.3毫米。
5、為防止管線中雜物進入泵內,對新安裝的管線,在泵膠應裝設過濾器,其有效截面應大于吸入管截面的2~3倍。
6、在機組實際試運行2~3小時后,作檢查,如無不良現象,則認為安裝合格。在試運過程中檢查軸承的溫度和振動情況。
7、松開地腳螺栓,用水平儀分別放在泵軸和底座上,通過調整楔墊,校正機組水平,適當擰緊地腳螺栓,以防走動。
2CY不銹鋼齒輪泵不排油或排油量少時應檢查以下幾項:
1.吸入高度超過額定值
2.吸入管道通漏氣
3.旋轉方向不對
4.吸入管道堵塞或閥門關閉
5.液體溫度低而粘度增大
2CY不銹鋼齒輪泵以上故障排除方法是:
1.提高吸入液面
2.檢查各接合處,加否棉等密封材料加以密封
3.接泵的所示方向糾正
4.檢查管道是否堵塞,閥門是否全開
5.預熱液體,如不可能,則降低排出壓力或減少排出流量
2CY不銹鋼齒輪泵規格參數表
| 型號 | 流量 Q | 轉速 n r/min | 排出壓力 p Mpa | 必需汽 蝕余量 )r m | 效率 η % | 電動機 | ||
| m3/h | L/min | 功率KW | 型號 | |||||
| 2CY-1.08/2.5 | 1.08 | 18 | 1420 | 2.5 | 9.5 | 58 | 2.2 | Y100L1-4 |
| 2CY-2.1/2.5 | 2.1 | 35 | 1420 | 2.5 | 9.5 | 58 | 3 | Y100L2-4 |
| 2CY-3/2.5 | 3 | 50 | 1440 | 2.5 | 9.5 | 59 | 4 | Y112M-4 |
| 2CY-4.2/2.5 | 4.2 | 70 | 1440 | 2.5 | 9.5 | 59 | 5.5 | Y132S-4 |
| 2CY-7.5/2.5 | 7.5 | 125 | 1440 | 2.5 | 9.5 | 63 | 7.5 | Y132M-4 |
| 2CY-12/2.5 | 12 | 200 | 1460 | 2.5 | 9.5 | 63 | 15 | Y160L-4 |
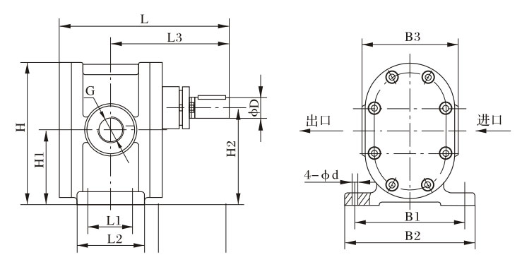
2CY型泵外型、安裝尺寸

型號 | L | L1 | L2 | L3 | B1 | B2 | B3 | H | H1 | H2 | G | φD | 4-φd |
| 2CY-1.08/2.5 | 193.5 | 45 | 75 | 138.5 | 114 | 138 | 95 | 132 | 67.5 | 87 | G3/4" | 18 | 10 |
| 2CY-2.1/2.5 | 198.5 | 48 | 78 | 142.5 | 124 | 154 | 110 | 164.5 | 86 | 112 | G1" | 18 | 10 |
| 2CY-3/2.5 | 198.5 | 48 | 78 | 142.5 | 124 | 154 | 110 | 164.5 | 86 | 112 | G1" | 18 | 10 |
| 2CY-4.2/2.5 | 220 | 58 | 88 | 155 | 160 | 190 | 140 | 205 | 107.5 | 140 | G11/4" | 28 | 12 |
| 2CY-7.5/2.5 | 239 | 65 | 98 | 164.5 | 160 | 190 | 140 | 205 | 107.5 | 140 | G11/2" | 28 | 12 |
| 2CY-12/2.5 | 360 | 106 | 136 | 257 | 190 | 220 | 210 | 256 | 136 | 178 | G2" | 32 | 14 |
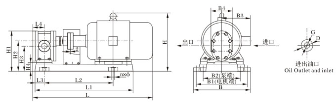
2CY-1.08~2CY-12/12.5整機外型、安裝尺寸重量

| 型號 | L | L1 | L2 | L3 | L4 | H | H1 | H2 | H3 | H4 | B | B1 | B2 | B3 | B4 | G | D | n×φ | 重量 |
| 2CY-1.08/2.5 | 582 | 486 | 339 | 47.5 | 55 | 290 | 190 | 145 | 125.5 | 58 | 293 | 257 | 190 | 180 | 95 | G3/4" | φ36 | 4×φ18 | 56 |
| 2CY-2.1/2.5 | 586 | 493 | 344 | 49 | 56 | 302 | 210 | 157 | 131 | 45 | 293 | 257 | 206 | 180 | 110 | G1" | φ50 | 4×φ18 | 63.5 |
| 2CY-3/2.5 | 605 | 499 | 349 | 49 | 56 | 310 | 210 | 157 | 131 | 45 | 333 | 297 | 206 | 190 | 110 | G1" | φ50 | 4×φ18 | 77.5 |
| 2CY-4.2/2.5 | 720 | 585 | 420 | 54 | 65 | 373 | 255 | 190 | 157.5 | 50 | 368 | 332 | 242 | 210 | 140 | G11/4" | φ70 | 4×φ18 | 121 |
| 2CY-7.5/2.5 | 780 | 637 | 448 | 60 | 75 | 378 | 260 | 195 | 162.5 | 55 | 368 | 332 | 242 | 210 | 140 | G11/2" | φ70 | 4×φ18 | 136 |
| 2CY-12/2.5 | 1020 | 862 | 616 | 78 | 103 | 468 | 321 | 243 | 201 | 65 | 416 | 380 | 272 | 255 | 210 | G2" | φ95 | 4×φ18 | 173 |
上一篇:KCB不銹鋼齒輪泵
下一篇:不銹鋼瀝青泵