NYP內轉子泵屬于回轉式容積泵,效率高,壽命長,適用介質溫度:-10℃ —200℃,適用介質粘度:1.0cSt—300,000cSt,并且可以根據介質不同的物理特性,改變泵的轉速。
NYP內轉子泵可以根據粘度的需要,無需拆泵即可調節齒輪間隙,達到泵在不同黏度下的工藝要求,整體軸承箱第二大優勢就是,只需轉動軸承箱即可實現間隙的調整,操作簡單,不需拆卸泵的任何部件.
外轉子帶動內轉子同向轉動,磨損小,使用壽命長.
保溫樹脂泵應用行業:適用于輸送純凈且有一定粘度的流體,可用于輸送油品如潤滑油,原油等,也可以用來輸送糖蜜,聚氨酯,黑白料,橡膠,瀝青,油漆,粘合劑,染料,涂料,潤滑劑,多元醇,食品,藥品等不含顆粒性雜質的高粘度物料,還可用于輸送PA PB PC PE PS HIPS ABS PP PET PVA等高溫,高粘度聚合物熔體物料.
NYP內轉子泵是根據石油、化工、涂料等行業的需求,研制開發的新型容積式泵,由于該產品可選用不同的材質和其獨特的結構,因此廣泛適用于不同性質、不同粘度的介質輸送。
適用介質溫度:-10℃~200℃(NYP0.78和NYP2.3適用溫度為-10℃~80℃)
介質粘度:1.0cSt~300000cSt(NYP0.78及NYP2.3的適用介質粘度為1.0cSt~10000cSt)
NYP內轉子泵工作原理:
具有內齒的驅動齒輪(外轉子)帶動內轉子在全封閉的泵體內作同方向轉動,泵體和前蓋的月牙板使吸入口和排出口隔開。轉動時,在吸入口形成負壓,液體被吸入,轉子將液體帶到排出口,受壓排出泵體,完成了液體的輸送。
結構:
NYP內轉子泵主要有內外轉子,軸,泵體,前蓋,托架,密封,軸承等組成。密封有機械密封和填料密封兩種形式,對于高溫、高粘稠密度及腐蝕性較強的介質,選用填料密封。
輸送易結晶物料時,在前蓋和泵體上可設計帶有保溫夾套,工作時通蒸汽保溫融化。泵可配安全閥,當泵或管路系統超壓時,安全閥打開,形成內部回流,確保系統安全。
泵裝置由泵、電機和底座組成。傳動方式有橋式和直聯式兩種。
從主軸外伸端向泵看,為順時針旋轉。
NYP內轉子泵優點:
1、輸送液體平穩,無脈動,振動小,噪音低。
2、有很強的自吸性能。
3、正確選用零件材料,可輸送多種有腐蝕性的介質,使用溫度可達200℃
4、內外轉子轉向相同,磨損小,使用壽命長。
5、泵的轉速與流量呈線性函數關系,可適當改變轉速來改變泵的流量。
6、特別適用高粘稠度介質的輸送。
| 型號 | 流量 | 壓力 Mpa | 吸入及排出管口徑 | 必須汽蝕余量m | 效率 % | 減速方式 | ||||
m3/h | I/min | 功率 KW | 轉速 r/min | 減速機 | ||||||
| NYP3/1.0 | 2 | 33.3 | 1.0 | Rp11/2 | 5 | 45 | 3 | 587 | YCJ71 | |
NYP10/1.0 | 6 | 100 | 1.3 | Rp2 | 45 | 7.5 | 228 | YCJ112 | ||
| 8 | 133.3 | 1.0 | Rp2 | 45 | 7.5 | 303 | YCJ100 | |||
| 10 | 166.7 | Rp2 | 51 | 7.5 | 357 | YCJ100 | ||||
| 12 | 200 | Rp2 | 54 | 7.5 | 475 | YCJ100 | ||||
NYP30/1.0 | ? 18 | 300 | ¢80 | 54 | 15 | 305 | YCJ112 | |||
| 22 | 366.7 | ¢80 | 58 | 15 | 359 | YCJ112 | ||||
| 28 | 466.7 | ¢80 | 65 | 15 | 479 | YCJ112 | ||||
| NYP50/1.0 | 50 | 833.3 | ¢150 | 52 | 37 | 128 | YCJ315 | |||
| 80 | 1333.3 | ¢150 | 58 | 45 | 208 | YCJ355 | ||||
| 100 | 1666.6 | ¢150 | 65 | 55 | 253 | YCJ355 | ||||
| NYP3/1.0 | 1.5 | 25 | Rp11/2 | 43 | 3 | 480 | 皮帶輪傳動 | |||
| 2 | 33.3 | Rp11/2 | 43 | 3 | 640 | |||||
| NYP10/1.0 | 8 | 133.3 | Rp2 | 43 | 7.5 | 303 | ||||
| 10 | 166.7 | Rp2 | 49 | 7.5 | 357 | |||||
| 12 | 200 | Rp2 | 51 | 7.5 | 475 | |||||
| NYP3/1.0 | 3 | 50 | 1 | Rp11/2 | 55 | 3 | 960 | Y132S-6 | 與電機直聯 | |
密封方式:用戶需要 | ||||||||||
NYP高粘度內齒泵結構圖


| 泵型號 | 理論排量 L/100r | A | B | C | D | E | F | G | H | I | Q | N | P | Z | 口徑 |
| NYP7.0A (原NYP3A) | 7.0 | 58 | 16 | 99 | 147 | 375 | 140 | 172 | 88 | 178 | 90 | 43 | 19 | 13 | G11/2" |
NYP24,NYP80,NYP111(A),NYP727泵頭外形尺寸

| 型號 | 理論排量 L/100r | A | B | C | D | E | F | G | H | I | J | K | L | N | P | Q | S | Z |
| NYP24 | 24 | 120 | 30 | 94 | 196 | 518 | 200 | 240 | 160 | 320 | 50 | 125 | 165 | 57 | 30 | 180 | 4-φ18 | 18 |
| NYP80 | 80 | 170 | 27.5 | 138.5 | 183.5 | 592 | 220 | 255 | 180 | 390 | 80 | 160 | 200 | 75 | 42 | 225 | 8-φ18 | 15 |
| NYP111 (原NYP30A) | 111 | 170 | 25 | 142 | 188 | 616 | 220 | 255 | 180 | 390 | 80 | 160 | 200 | 58 | 40 | 225 | 8-φ18 | 15 |
| NYP111 (原NYP30A) | 111 | 340 | 30 | 3 | 198 | 688 | 220 | 280 | 220 | 430 | 80 | 160 | 200 | 75 | 42 | 420 | 8-φ18 | 20 |
| NYP320 | 320 | 340 | 35 | 120.5 | 268 | 849 | 330 | 400 | 260 | 520 | 125 | 210 | 250 | 120 | 65 | 410 | 8-φ18 | 22 |
| NYP727 (原NYP50A) | 727 | 410 | 40 | 170 | 260 | 1060 | 370 | 450 | 360 | 680 | 150 | 240 | 285 | 120 | 80 | 530 | 8-φ18 | 22 |
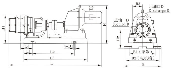
NYP不銹鋼保溫泵配減速電機整機安裝尺寸圖

| 型號 | L | L1 | L2 | L3 | L4 | H | H1 | H2 | B | B1 | B2 | B3 | D | D1 | Decelerator | ||
| 型號 | 功率KW | 轉速r/min | |||||||||||||||
| NYP7.0 | 1028 | 91 | 384 | 590 | 115 | 327 | 253 | 163 | 270 | 225 | 225 | 90 | G11/2" | φ20 | YCJ71 | 3 | 583 |
| 455 | |||||||||||||||||
| NYP52 | 1361 | 67 | 576 | 790 | 130 | 480 | 355 | 225 | 400 | 308 | 340 | 130 | G2" | φ22 | YCJ112 | 7.5 | 228 |
| 1351 | 67 | 576 | 790 | 130 | 533 | 355 | 225 | 400 | 308 | 340 | 130 | G2" | φ22 | YCJ100 | 7.5 | 303 | |
| 357 | |||||||||||||||||
| 1436 | 67 | 576 | 790 | 130 | 533 | 355 | 225 | 400 | 308 | 340 | 130 | G2" | φ22 | YCJ100 | 11 | 475 | |
| NYP111 | 1500 | 154 | 558 | 890 | 227 | 585 | 495 | 285 | 525 | 385 | 475 | 210 | φ80 | φ22 | YCJ112 | 15 | 305 |
| 417 | |||||||||||||||||
| 479 | |||||||||||||||||
| NYP727 | 2423 | 200 | 950 | 1259 | 330 | 825 | 935 | 615 | 580 | 520 | 520 | 320 | φ150 | φ28 | YCJ315 | 37 | 128 |
上一篇:NYP不銹鋼保溫泵
下一篇:保溫樹脂泵