YCB圓弧齒輪泵主要用于各種機械設備中的潤滑系統中輸送潤滑油,適用于輸送粘度為5×10-6~1.5×10-3m2/s (5-1500cSt),溫度在200℃以下的具有潤滑性的油料。
YCB系列不銹鋼圓弧泵,可輸送無潤滑性的油料、飲料、有腐蝕性的液體。配用銅齒輪可輸送低內點液體,如汽油、苯等。本系列泵除配置普通電機外,還可根據用戶需要配置同規格的防爆電機。
YCB圓弧齒輪泵適用范圍
在輸油系統中可用作傳輸,增壓泵;
在燃油系統中可用作輸送,加壓,噴射的燃油泵;
在液壓傳動系統中可用作提供液壓動力的液壓泵;
在一切工業領域中,均可作潤滑油泵用。
YCB圓弧齒輪泵結構特點
YCB圓弧齒輪泵采用了雙圓弧加正弦曲線復合成齒形,淘汰漸開線齒輪泵。曾獲科技成果項目。
YCB圓弧泵在兩嚙合齒廓間為一點連續接觸,不會產生困油現象,解決了漸開線齒輪泵因困油現象導致泵的振動、噪聲、軸承負載增大等現象。因此圓弧齒輪泵效率高、噪聲低,并具有良好的節能效果。本系列齒輪泵主要有齒輪、軸、泵體、泵蓋、軸承套、軸端密封等組成。齒輪采用雙圓弧正弦曲線齒形制造。它與漸開線齒輪相比突出的優點是齒輪嚙合過程中齒廓面沒有相對滑動,所以齒面無磨損,運轉平穩,無困液現象,噪音低、壽命長、效率高。YCB圓弧泵擺脫了傳統設計的束縛,使得齒輪泵在設計、生產和使用上進入了一個新的領域。
YCB圓弧齒輪泵設有安全閥作為超載保護,安全閥全回流壓力為泵額定排出壓力的1.5倍。也可在允許排出壓力范圍內根據實際需要另行調整。但注意本安全閥不能作減壓閥長期工作,需要時可在管路上另行安裝。
YCB圓弧齒輪泵軸端密封設計為兩種形式,一種為機械密封,一種是填料密封,可根據具體使用情況和用戶要求確定。
圓弧齒輪泵安裝說明:
1、安裝泵的地點應足夠寬敞,以方便檢修工作。
2、泵安裝的好壞,對泵的平穩運行和使用壽命有很重要的影響,所以安裝校正工作必須仔細地進行,不得草率行事。
3、泵吸入管的安裝高度、長度和管徑應滿足計算值,力求簡短,減少不必要的損失(如彎頭等);并保障泵在工作時,不超過其允許汽蝕余量。
4、吸入和排出管路應該有支架。泵不允許承受管路的負荷。
圓弧齒輪泵安裝順序:
1、將機組放在埋有地腳螺栓的基礎上,在底座與基礎之間,用成對的楔墊用校正用。
2、在安裝過程中,為防止雜物落入機器內,機組的所有孔眼均應蓋好。
3、在接好管路及確定電動機轉動方向后,再接上聯軸器,并再校核一遍軸的同心度。
4、校正泵軸和電機軸的同心度,在聯軸大路外圓上,允許偏差0.1毫米;兩聯軸器平面的間隙應在2~4毫米,(小泵取小值)間隙要均勻,允差0.3毫米。
5、為防止管線中雜物進入泵內,對新安裝的管線,在泵膠應裝設過濾器,其有效截面應大于吸入管截面的2~3倍。
6、在機組實際試運行2~3小時后,檢查,如無不良現象,則認為安裝合格。在試運過程中檢查軸承的溫度和振動情況。
7、松開地腳螺栓,用水平儀分別放在泵軸和底座上,通過調整楔墊,校正機組水平,適當擰緊地腳螺栓,以防走動。
型號 | 流量 Q | 轉速 n r/min | 排出壓力 p Mpa | 必需汽 蝕余量 r m | 效率 η % | 電動機 | ||
| m3/h | 頻率 Hz | 功率KW | 型號 | |||||
| YCB0.6-0.6 | 0.6 | 910 | 0.6 | 5.5 | 32 | 50 | 0.75 | Y90S-6 |
| 1.0 | 1390 | 50 | 0.75 | Y80L2-4 | ||||
| 0.7 | 1130 | 60 | 0.75 | Y90S-6 | ||||
| 1.2 | 1710 | 60 | 0.75 | Y80L2-4 | ||||
| YCB0.6-1.6 | 0.6 | 910 | 1.6 | 7.0 | 70 | 50 | 1.1 | Y90L-6 |
| 1.0 | 1400 | 50 | 1.5 | Y90L-4 | ||||
| 0.7 | 1130 | 60 | 1.1 | Y90L-6 | ||||
| 1.2 | 1710 | 60 | 1.1 | Y90S-4 | ||||
| YCB1.6-0.6 | 1.6 | 910 | 0.6 | 5.5 | 42 | 50 | 0.75 | Y90S-6 |
| 2.5 | 1400 | 50 | 1.1 | Y90S-4 | ||||
| 1.9 | 1130 | 60 | 1.1 | Y90L-6 | ||||
| 3.0 | 1710 | 60 | 1.5 | Y90L-4 | ||||
| YCB1.6-1.6 | 1.6 | 940 | 1.6 | 7.0 | 71 | 50 | 2.2 | Y112M-6 |
| 2.5 | 1440 | 50 | 4 | Y112M-4 | ||||
| 1.9 | 1150 | 60 | 2.2 | Y112M-6 | ||||
| 3.0 | 1750 | 60 | 4 | Y112M-4 | ||||
| YCB3.3-0.6 | 3.3 | 940 | 0.6 | 5.0 | 60 | 50 | 1.5 | Y100L-6 |
| 5.0 | 1420 | 50 | 2.2 | Y100L1-4 | ||||
| 4.0 | 1150 | 60 | 1.5 | Y100L-6 | ||||
| 6.0 | 1730 | 60 | 2.2 | Y100L1-4 | ||||
| YCB3.3-1.6 | 3.3 | 960 | 1.6 | 7.0 | 72 | 50 | 5.5 | Y132M2-6 |
| 5.0 | 1440 | 50 | 7.5 | Y132M-4 | ||||
| 4.0 | 1170 | 60 | 4 | Y132M1-6 | ||||
| 6.0 | 1750 | 60 | 7.5 | Y132M-4 | ||||
| YCB4-0.6 | 4.0 | 940 | 0.6 | 5.0 | 60 | 50 | 1.5 | Y100L-6 |
| 6.0 | 1420 | 50 | 2.2 | Y100L1-4 | ||||
| 4.8 | 1150 | 60 | 2.2 | Y112M-6 | ||||
| 7.2 | 1730 | 60 | 3 | Y100L2-4 | ||||
| YCB4-1.6 | 4.0 | 960 | 1.6 | 7.0 | 72 | 50 | 5.5 | Y132M2-6 |
| 6.0 | 1440 | 50 | 7.5 | Y132M-4 | ||||
| 4.8 | 1170 | 60 | 5.5 | Y132M-6 | ||||
| 7.2 | 1750 | 60 | 7.5 | Y132M-4 | ||||
| YCB8-0.6 | 8.0 | 960 | 0.6 | 5.0 | 61 | 50 | 3 | Y132S-6 |
| 12.0 | 1440 | 50 | 5.5 | Y132S-4 | ||||
| 9.6 | 1170 | 60 | 4 | Y132M1-6 | ||||
| 14.4 | 1750 | 60 | 5.5 | Y132S-4 | ||||
| YCB8-1.6 | 8.0 | 970 | 1.6 | 7.0 | 75 | 50 | 11 | Y160L-6 |
| 12.0 | 1460 | 50 | 15 | Y160L-4 | ||||
| 9.6 | 1170 | 60 | 11 | Y160L-6 | ||||
| 14.4 | 1760 | 60 | 15 | Y160L-4 | ||||
| YCB10-0.6 | 10.0 | 960 | 0.6 | 5.0 | 62 | 50 | 4 | Y132M1-6 |
| 15.0 | 1440 | 50 | 5.5 | Y132S-4 | ||||
| 12.0 | 1170 | 60 | 5.5 | Y132M2-6 | ||||
| 18.0 | 1750 | 60 | 7.5 | Y132M-4 | ||||
| YCB10-1.6 | 10.0 | 970 | 1.6 | 7.0 | 76 | 50 | 11 | Y160L-6 |
| 15.0 | 1470 | 50 | 15 | Y160L-4 | ||||
| 12.0 | 1170 | 60 | 11 | Y160L-6 | ||||
| 18.0 | 1770 | 60 | 18.5 | Y160L-4 | ||||
| YCB20-0.6 | 20.0 | 970 | 0.6 | 5.0 | 68 | 50 | 7.5 | Y160M-6 |
| 24.0 | 1170 | 60 | 7.5 | Y160M-6 | ||||
| YCB25-0.6 | 25.0 | 970 | 0.6 | 5.5 | 69 | 50 | 11 | Y160L-6 |
| 30.0 | 1170 | 60 | 11 | Y160L-6 | ||||
| YCB30-0.6 | 30.0 | 970 | 0.6 | 5.5 | 70 | 50 | 11 | Y160L-6 |
| 36.0 | 1170 | 60 | 11 | Y160L-6 | ||||
| YCB40-0.6 | 40.0 | 970 | 0.6 | 5.5 | 72 | 50 | 15 | Y180L-6 |
| 48.0 | 1180 | 60 | 15 | Y180L-6 | ||||
| YCB50-0.6 | 50.0 | 970 | 0.6 | 5.5 | 72 | 50 | 22 | Y200L2-6 |
| 60.0 | 1180 | 60 | 22 | Y200L2-6 | ||||
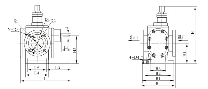
YCB圓弧齒輪油泵安裝尺寸

| 型號 | L | L1 | L2 | L3 | L4 | B | B1 | B2 | B3 | H | H1 | H2 | D | D1 | D2 | N-D3 | 4-D4 | d |
| YCB0.6 | 180 | 30 | 45 | 107.5 | 66 | 125 | 91 | 70 | 35 | 187 | 80 | 92 | φ25 | φ100 | φ75 | 4-M10 | 4-φ9 | φ12 |
| YCB1.6 | 208 | 32 | 55 | 118.5 | 80 | 150 | 115 | 90 | 50 | 208 | 79.7 | 95 | φ32 | φ120 | φ90 | 4-φ14 | 4-φ11 | φ14 |
| YCB3.3 | 247.6 | 35 | 70 | 132.85 | 98 | 180 | 148 | 120 | 75 | 258 | 87.6 | 110 | φ40 | φ130 | φ100 | 4-φ14 | 4-φ13 | φ18 |
| YCB4 | 260.6 | 35 | 80 | 134.8 | 108 | 180 | 148 | 120 | 75 | 263 | 92.6 | 115 | φ50 | φ140 | φ110 | 4-φ14 | 4-φ13 | φ18 |
| YCB8 | 313 | 45 | 100 | 158.5 | 138 | 220 | 178 | 140 | 90 | 361 | 105 | 135 | φ65 | φ160 | φ130 | 4-φ14 | 4-φ13 | φ24 |
| YCB10 | 330 | 45 | 100 | 168.5 | 138 | 220 | 178 | 140 | 90 | 360 | 105 | 135 | φ65 | φ160 | φ130 | 4-φ14 | 4-φ13 | φ24 |
| YCB20 | 400 | 55 | 135 | 201 | 182 | 260 | 226 | 180 | 118 | 436.5 | 130.8 | 170 | φ80 | φ190 | φ150 | 4-φ18 | 4-φ18 | φ32 |
| YCB25 | 430 | 55 | 135 | 216 | 182 | 260 | 226 | 180 | 118 | 436.5 | 130.8 | 170 | φ100 | φ210 | φ170 | 4-φ18 | 4-φ18 | φ32 |
| YCB30 | 459 | 60 | 150 | 236 | 200 | 275 | 231 | 190 | 126 | 461 | 141 | 185 | φ100 | φ210 | φ170 | 4-φ18 | 4-φ18 | φ35 |
| YCB40 | 500 | 70 | 175 | 251.5 | 225 | 300 | 260 | 210 | 140 | 509 | 157 | 205 | φ125 | φ240 | φ200 | 4-φ18 | 4-φ18 | φ40 |
| YCB50 | 493 | 70 | 175 | 246.5 | 225 | 300 | 260 | 210 | 140 | 509 | 157 | 205 | φ125 | φ240 | φ200 | 4-φ18 | 4-φ18 | φ40 |
YCB不銹鋼圓弧齒輪泵外型、安裝尺寸

| 型號 Model | 流量 m3/h | A | B | C | D | E | F | G | H | J | K | M | N | φ1 | φ2 | φ3 | n×φ4 |
| YCB0.6-0.6 | 0.6 | 506 | 50 | 22.5 | 280 | 421 | 155 | 115 | 232 | 136 | 125 | 222 | 252 | φ25 | φ75 | φ100 | 4×M10 |
| YCB1.0-0.6 | 1.0 | 486.5 | 264 | 405 | 150 | 217 | 207 | 237 | |||||||||
| YCB1.6-0.6 | 1.6 | 547 | 63 | 27.5 | 303 | 455 | 155 | 243 | 156 | 150 | 222 | 252 | φ32 | φ90 | φ120 | 4×φ14 | |
| YCB2.5-0.6 | 2.5 | ||||||||||||||||
| YCB3.3-0.6 | 3.3 | 644 | 76 | 35 | 344.5 | 544.5 | 180 | 127.6 | 298 | 198 | 180 | 266 | 298 | φ 40 | φ100 | φ130 | |
| YCB5.0-0.6 | 5.0 | ||||||||||||||||
| YCB4.0-0.6 | 4.0 | 667.5 | 82 | 40 | 346 | 557 | 256 | 288 | φ50 | φ110 | φ140 | ||||||
| YCB6.0-0.6 | 6.0 | ||||||||||||||||
| YCB8.0-0.6 | 8.0 | 795 | 101 | 50 | 382 | 644 | 210 | 140 | 396 | 218 | 220 | 332 | 364 | φ65 | φ130 | φ160 | |
| YCB12-0.6 | 12 | ||||||||||||||||
| YCB10-0.6 | 10 | 849 | 111 | 430 | 690 | ||||||||||||
| YCB15-0.6 | 15 | 808 | 392 | 652 | |||||||||||||
| YCB20-0.6 | 20 | 1009 | 131.5 | 29.5 | 566 | 845 | 255 | 165.8 | 471.5 | 270 | 260 | 380 | 416 | φ80 | φ150 | φ190 | 4×φ18 |
| YCB25-0.6 | 25 | 1100 | 146.5 | 603 | 904 | 385 | 421 | φ100 | φ170 | φ210 | |||||||
| YCB30-0.6 | 30 | 1125 | 147 | 35 | 646 | 954 | 196 | 517 | 295 | 275 | 400 | 436 | |||||
| YCB40-0.6 | 40 | 1214 | 161 | 42.5 | 673 | 1023 | 285 | 212 | 562 | 315 | 300 | 425 | 461 | φ125 | φ200 | φ240 | 8×φ18 |
| YCB50-0.6 | 50 | 1300 | 159 | 52.5 | 680 | 1080 | 310 | 237 | 590 | 240 | 300 | 476 | 536 | φ125 | φ200 | φ240 | 8×φ18 |
上一篇:沒有了
下一篇:YCB圓弧泵